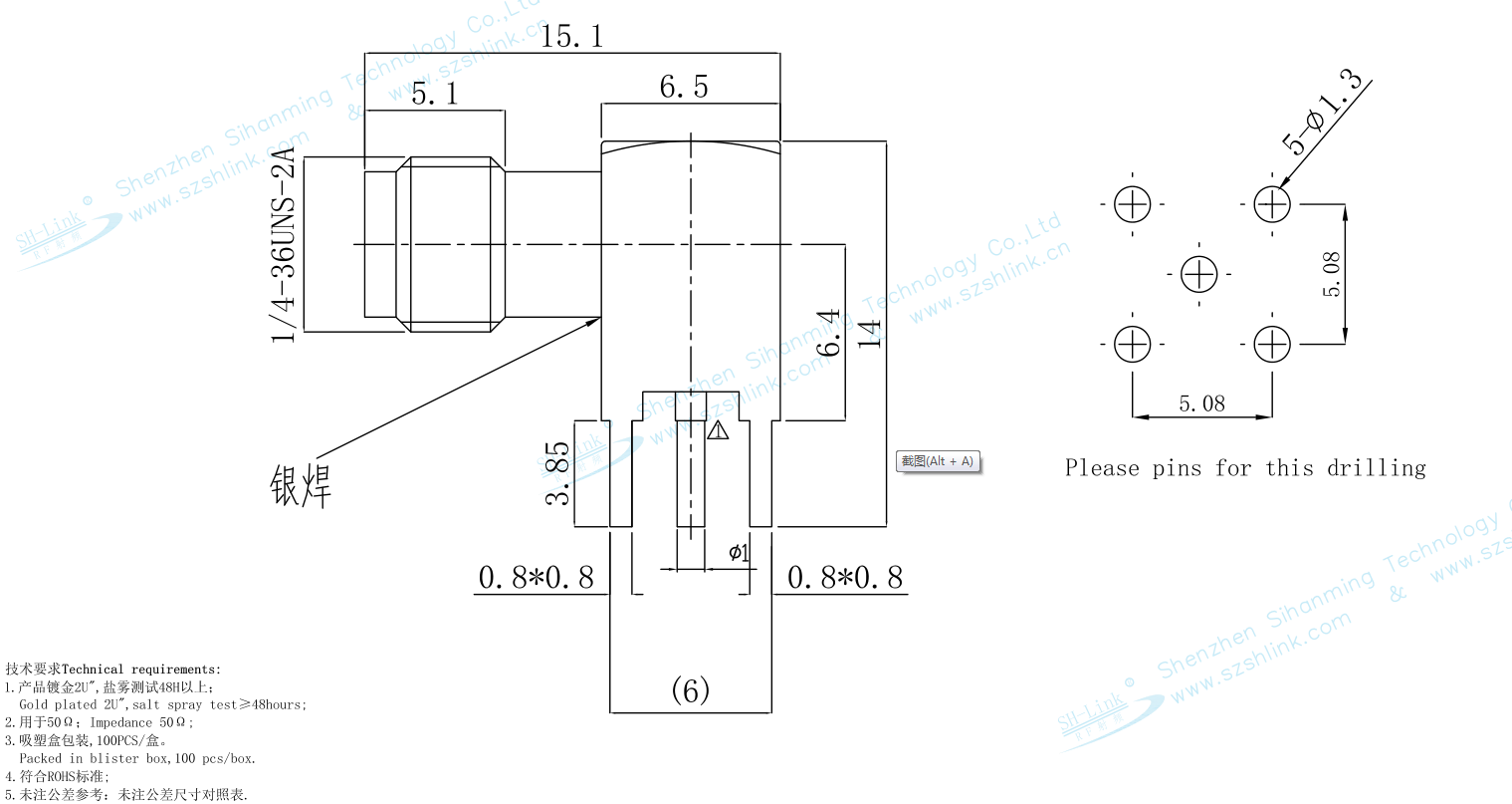
Đầu nối PCB cái SMA thích hợp để kết nối cáp RF hoặc đường dây vi mạch trong mạng không dây, bộ điều khiển logic lập trình, thiết bị vi sóng và hệ thống truyền thông kỹ thuật số.
Đầu nối hoạt động ở DC-3GHz; có trở kháng 50 ohm; và hoạt động ở nhiệt độ từ -55℃ đến +125℃.
Vật liệu đầu nối: Vỏ: Đồng thau mạ vàng 2U; Chốt trung tâm: Đồng berili mạ vàng 2U; Lớp cách điện: PTFE; Chúng tôi cung cấp sản phẩm chất lượng cao, số lượng lớn. Chúng tôi cũng cung cấp chiều dài và kích thước tùy chỉnh với giá cả hợp lý, đảm bảo an toàn và độ tin cậy. Hoan nghênh mọi yêu cầu.
| Tiêu chuẩn áp dụng | IEC60169-15 |
| Sản phẩm số. | KẾT NỐI SMA |
| Cấp độ thiết kế sản phẩm | Đầu nối đa năng (Mức 2) |
| Đầu nối đa năng (Mức 2) : | |
| Điện áp làm việc | 335V |
| Phạm vi nhiệt độ | -40 ℃ ~ + 85 ℃ |
| Dải tần số | DC-3GHz |
| Trở kháng | 50Ω |
| Các thông số kỹ thuật: | |
| Tính chất điện : | |
| Điện trở tiếp xúc : | |
| Liên hệ Trung tâm | ≤6mΩ |
| Liên hệ bên ngoài | ≤1mΩ |
| Vật liệu chống điện | ≥1000MΩ |
| Áp suất trung bình | 1000V (Tuân theo MIL-PRF-39012 đoạn 3.17) |
| Hiệu suất môi trường : | |
| Phạm vi nhiệt độ | |
| Nhiệt độ môi trường | -40 ℃ ~ + 105 ℃ |
| Sương muối | > 48H |
| Khả năng chống ẩm | Độ ẩm tương đối + 40 ℃ Khi lên đến 95 % |
Đầu nối đồng trục SMA

TYPE SMA là loại đầu nối đồng trục RF được áp dụng rộng rãi, với khớp nối ren kích thước nhỏ. Trở kháng đặc trưng là 50Ω. Đặc tính của các đầu nối là ở dải tần rộng, hiệu suất tuyệt vời, độ tin cậy cao. Chúng được sử dụng để kết nối với cáp RF hoặc đường dây vi dải trong mạch RF của hệ thống WIAN 、 chương trình điều khiển, thiết bị vi sóng và kỹ thuật số hệ thống thông tin liên lạc. Tần số có thể lên đến 18GHz bằng cách sử dụng cáp nửa cứng hoặc nửa dẻo.
Từ nhận hàng đến giao hàng, chúng tôi tuân theo các quy trình tiêu chuẩn để ngăn chặn việc giao hàng sai
Khuyến khích
Chúng đều được sản xuất theo tiêu chuẩn quốc tế nghiêm ngặt nhất.
LIÊN HỆ CHÚNG TÔI
Điều đầu tiên chúng tôi làm là gặp gỡ khách hàng và thảo luận về các mục tiêu của họ về một dự án trong tương lai.